Produktzusammenfassung
| Solarpumpe VFD der Serie RVE35 | | |
| | DC-/AC-EINGANG | |
| | Raffiniertes Design | |
| | MPPT | |
| Parametrisch | ||
| Modell | RVE35-T3-5R5GB ~ RVE35-T3-7R5GB |
| Spannung | 350 VDC bis 800/900 VDC Eingang, 3 PH 380 VAC bis 440 VAC Eingang | |
| P-Nennwert (kW) | 5,5/7,5 | |
| Nennstrom (A) | 13/16A/25A | |
| MPPT Vmp/Voc | 540/660 | |
| Abmessungen (mm) | 265*105*164 | |
Anwendungshintergründe
| In den letzten Jahren wurden Solarwasserpumpen angesichts der zunehmenden Schwere des globalen „Nahrungsmittelproblems“ und „Energieproblems“ nach und nach als wirksame industrielle Integrationsprodukte zur Lösung des Problems der Steigerung der Produktion effektiver Anbauflächen und des Ersatzes fossiler Energie durch saubere Energie gefeiert. Als Ergebnis entstand ein aufstrebendes Wirtschaftsmodell, in dem sich die Solarindustrie in Kombination mit traditionellen Branchen wie landwirtschaftlicher Wassereinsparung, Wüstenbekämpfung, häuslicher Wassernutzung und städtischer Wasserlandschaft entwickelte. |
Produktmerkmale
• Maximum Power Point Tracking (MPPT) mit schneller Reaktionsgeschwindigkeit und stabilem Betrieb
• Trockenlaufschutz (unter Last).
• Motor-Maximalstromschutz
• Eingangsstromschutz
• Schutz vor niedriger Stoppfrequenz
• Die PQ-Leistungskurve (Leistung/Durchfluss) ermöglicht die Berechnung des Förderstroms der Pumpe
• Digitale Steuerung für vollautomatischen Betrieb, Datenspeicherung und Schutzfunktionen
• Intelligentes Leistungsmodul (IPM) für den Hauptstromkreis
• LED-Display-Bedienfeld und unterstützende Fernbedienung
• Dual-Mode-AC- und DC-Stromversorgungseingang ist verfügbar
• Sensor für Wassermangel und Wasserstandskontrollfunktion
• Umgebungstemperatur für die Verwendung: -10 bis 50 °C.
| Raffiniertes Design Um 50 % reduzierte Installationsfläche Volumen um 30 % reduziert | |
| | Die vollautomatische Drei-Proof-Lackbeschichtungsmaschine wird verwendet, um die Schutzschicht der Leiterplatte zu verdicken und so Schäden an der Leiterplatte durch Windstaub, korrosive Gase und feuchte Luft wirksam zu verhindern. |
| | Verwenden Sie vollautomatische Erkennungsgeräte, um verschiedene elektrische Indikatoren und Schutzfunktionen von Produkten unter Nennlast zu testen. |
| | Alle fertigen Produkte werden 48 Stunden lang bei einer hohen Temperatur von 60 Grad unter Last gealtert. Anschließend werden alle elektrischen Indikatoren unter Last getestet, um die Produktausfallrate zu reduzieren. |
Modellnomenklatur
Allgemeine Serie Typ S2:
Vmp 310 VDC oder 220 VAC Eingang, 1/3 Phase 0-220 VAC Ausgang
| Modelll | Nennstrom (A) | Ausgangsspannung (VAC) | Gilt für Pumpen mit einer Leistung von (kW). | Externe Größe des Laufwerks H*B*T (mm) | MPPT Vmp/Voc |
| RVE35-S2-0R7G | 4 | 0-220 | 0.75 | 187*86*152 | 310/372 |
| RVE35-S2-1R5G | 7 | 0-220 | 1.5 | ||
| RVE35-S2-2R2G | 10 | 0-220 | 2.2 | ||
| RVE35-S2-3G | 13 | 0-220 | 3 | 265*105*164 | |
| RVE35-S2-4G | 16 | 0-220 | 4 |
Allgemeine T3-Serie:
Vmp540 bis 650 VDC oder 380 bis 460 VAC Eingang, 3 Phasen 0-380/460 VAC Ausgang
| Modelll | Nennstrom (A) | Ausgangsspannung (VAC) | Gilt für Pumpen mit einer Leistung von (kW). | Externe Größe des Laufwerks H*B*T (mm) | MPPT Vmp/Voc |
| RVE35-T3-0R7GB | 2,5/3,7 | 0-380/440 | 0.75 | 187*86*152 | 540/660 |
| RVE35-T3-1R5GB | 3,7/5 | 0-380/440 | 1.5 | ||
| RVE35-T3-2R2GB | 5/10 | 0-380/440 | 2.2 | ||
| RVE35-T3-4GB | 13.10 | 0-380/440 | 4.0 | ||
| RVE35-T3-5R5GB | 13/16 | 0-380/440 | 5.5 | 265*105*164 | |
| RVE35-T3-7R5GB (Kunststoffgehäuse) | 16/25 | 0-380/440 | 7.5 | ||
| RVE35-T3-7R5GB (Eisengehäuse) | 16/25 | 0-380/440 | 7.5 | 333*150*216 | |
| RVE35-T3-11GB | 25/32 | 0-380/440 | 11 | ||
| RVE35-T3-15GB | 32/38 | 0-380/440 | 15 | ||
| RVE35-T3-18GB | 38/45 | 0-380/440 | 18 | 383*180*228 | |
| RVE35-T3-22GB | 45/60 | 0-380/440 | 22 | ||
| RVE35-T3-30GB | 60/75 | 0-380/440 | 30 | 435*175*265 | |
| RVE35-T3-37GB | 75/90 | 0-380/440 | 37 | ||
| RVE35-T3-45G | 90/110 | 0-380/440 | 45 | 670*265*358 | |
| RVE35-T3-55G | 110/150 | 0-380/440 | 55 | ||
| RVE35-T3-75G | 150/170 | 0-380/440 | 75 | ||
| RVE35-T3-90G | 170/210 | 0-380/440 | 90 | 845*305*358 | |
| RVE35-T3-110G | 210A/250 | 0-380/440 | 110 | ||
| RVE35-T3-132G | 250A/300 | 0-380/440 | 132 | ||
| RVE35-T3-160G | 300A/340 | 0-380/440 | 160 | 788*500*360 | |
| RVE35-T3-185G | 340/380 | 0-380/440 | 185 | ||
| RVE35-T3-200G | 380/415 | 0-380/440 | 200 | 900*540*358 | |
| RVE35-T3-220G | 415/470 | 0-380/440 | 220 | ||
| RVE35-T3-250G | 470/520 | 0-380/440 | 250 | ||
| RVE35-T3-280G | 520/600 | 0-380/440 | 280 | 1035*620*400 | |
| RVE35-T3-315G | 600/680 | 0-380/440 | 315 | ||
| RVE35-T3-355G | 680/750 | 0-380/440 | 355 | 1290*780*410 | |
| RVE35-T3-400G | 750/810 | 0-380/440 | 400 |
Hervorragende Leistung
| | Hochleistungs-Vektorsteuerung zur Verbesserung der Gerätegenauigkeit |
| Die maximale Ausgangsfrequenz unter Vektorsteuerung erreicht 1500 Hz, wodurch eine hochpräzise Geschwindigkeitsausgabe innerhalb des 10-fachen schwachen magnetischen Geschwindigkeitsregulierungsbereichs erreicht werden kann. | |
| | |
| | Perfekter Antrieb für Synchronmotoren |
| Stromwellenform eines Synchronmotors im Vektorsteuerungsmodus mit offenem Regelkreis bei 500 Hz und 100 % Nennlast. | |
| | |
| | Zuverlässiges Wärmeableitungsdesign |
| Die unabhängige Doppelluftkanal-Designtechnologie ermöglicht die Verwendung des Solarpumpenantriebs mit einer Ringtemperatur von 50 ℃ ohne Leistungsreduzierung. |
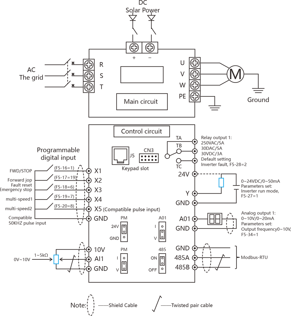
Schaltplan
Bei RVE35-Produkten mit 0,75 kW bis 7,5 kW beachten Sie bitte Folgendes:
1. Das Produkt enthält keine X6- und X7-Logikeingangsklemmen;
2. Das Produkt enthält nur 1 Analogeingang, 1 Analogausgang und 1 Relaisausgang










































